 |
|
選用須知
首先針對工作對象的安裝位置,確定機型,然后進行受力分析,確定所選用的推力(kg.f)、行程(mm)、速度(mm/s),然后以規格系列表選出合適的推桿。如有特殊要求,本公司可專門為您設計制造您所需的非系列產品。
電動推桿的外接的行程裝置,電控箱和支撐架由顧客自備,如需要,我公司可代為配制,但應在訂貨合同中寫明。 |
 |
|
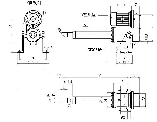
DTZ型電動推桿支架安裝尺寸表:
序號 |
型號 |
L |
L1 |
h |
h1 |
b |
b1 |
4-Ф |
1 |
DTZ50 |
80 |
20 |
140 |
170 |
50 |
80 |
9 |
2 |
DTZ100 |
130 |
37.5 |
210 |
248 |
75 |
130 |
14 |
3 |
DTZ300 |
152 |
37.5 |
234 |
272 |
75 |
130 |
14 |
4 |
DTZ500 |
170 |
35 |
224 |
264 |
75 |
130 |
14 |
5 |
DTZ700 |
170 |
35 |
224 |
264 |
75 |
130 |
14 |
6 |
DTZ1000 |
190 |
47.5 |
238 |
284 |
93 |
160 |
14 |
7 |
DTZ1600 |
220 |
|
344 |
410 |
100 |
160 |
18 |
8 |
DTZ2500 |
220 |
|
374 |
440 |
100 |
160 |
18 |
DTZ型電動推桿主要技術參數、外形尺寸表 說明:表中行程的確定,由用戶可在范圍內任選:
序號 |
型號 |
推力 |
功率
(KW) |
速度
(mm/s) |
行程
S(mm) |
LC |
Ф1 |
Ф2 |
Ф3 |
Ф4 |
Ф5 |
Ф6 |
Ф7 |
A |
A1 |
B |
C |
C1 |
C2 |
D |
E |
L1 |
L2 |
L3 |
L4 |
L5 |
L6 |
LO |
(kg.f) |
(KN) |
Lmin |
Lmax |
1 |
DTZ50 |
50 |
0.5 |
0.06 |
42 |
100-300 |
104+S |
104+2S |
85 |
42 |
23 |
23 |
18 |
6 |
90 |
20 |
30 |
10 |
166 |
71 |
78 |
90 |
16 |
72 |
70 |
12 |
18.5 |
54 |
89 |
125 |
2 |
DTZ100 |
100 |
1.0 |
0.12 |
42 |
100-600 |
207+S |
207+2S |
112 |
57 |
34 |
34 |
25 |
10 |
130 |
35 |
48 |
16 |
207 |
78 |
109 |
135 |
20 |
80 |
109 |
18 |
40 |
71 |
120 |
200 |
3 |
DTZ300 |
300 |
3.0 |
0.37 |
42 |
100-800 |
191+S |
191+2S |
130 |
63.5 |
40 |
40 |
25 |
12 |
150 |
35 |
48 |
20 |
232 |
86 |
112 |
160 |
20 |
105 |
115 |
22 |
40 |
76 |
135 |
200 |
4 |
DTZ500 |
500 |
5.0 |
0.75 |
50 |
100-800 |
276+S |
276+2S |
160 |
80 |
46 |
46 |
35 |
14 |
150 |
45 |
58 |
20 |
283 |
100 |
140 |
175 |
25 |
92 |
172 |
22 |
50 |
87 |
163 |
265 |
5 |
DTZ700 |
700 |
7.0 |
1.10 |
50 |
200-1000 |
276+S |
276+2S |
160 |
80 |
46 |
46 |
35 |
16 |
200 |
45 |
58 |
20 |
283 |
100 |
140 |
175 |
25 |
92 |
172 |
22 |
50 |
87 |
163 |
265 |
6 |
DTZ1000 |
1000 |
10 |
1.10 |
50 |
200-1200 |
258+S |
258+2S |
170 |
80 |
46 |
46 |
35 |
16 |
200 |
45 |
58 |
20 |
303 |
105 |
150 |
154 |
25 |
119 |
178 |
22 |
50 |
92 |
178 |
265 |
7 |
DTZ1600 |
1600 |
16 |
2.20 |
50 |
200-1500 |
310+S |
310+2S |
205 |
90 |
62 |
62 |
35 |
25 |
250 |
50 |
65 |
30 |
380 |
131 |
205 |
240 |
30 |
118 |
248 |
35 |
58 |
105 |
218 |
320 |
8 |
DTZ2500 |
2500 |
25 |
3.00 |
35 |
200-1500 |
310+S |
310+2S |
242 |
108 |
80 |
70 |
35 |
30 |
250 |
50 |
70 |
32 |
445 |
180 |
240 |
260 |
40 |
130 |
300 |
35 |
60 |
113 |
241 |
320 |
|
|